The journey of crude oil from the wellhead to the refinery is a complex one, marked by various processes designed to refine and purify this valuable resource. One crucial stage in this journey is crude oil treatment, where impurities like water, gas, and sediments are removed. The success of this stage hinges on the efficient use of specialized equipment, each playing a unique role in the treatment process.
At the heart of any crude oil treatment system lies the treater, a vessel designed to facilitate the separation of oil, water, and gas. Treaters come in various configurations, each tailored to specific operational needs.
Firstly, there are vertical treaters. These towering structures are a common sight in oilfields. They leverage gravity and heat to separate the different phases of the crude oil mixture. The oil, being lighter, rises to the top, while water and heavier sediments settle at the bottom. Vertical treaters are known for their efficiency in handling emulsions, a mixture of oil and water that can be challenging to separate.

Next, there are horizontal treaters. These treaters, as the name suggests, are oriented horizontally and offer a larger surface area for separation, making them suitable for handling larger volumes of crude oil. The horizontal configuration also allows for the installation of larger fireboxes, enabling efficient heating of the crude oil to aid in the separation process.

While treaters are central to crude oil treatment, several other pieces of equipment play vital supporting roles such as heaters. Heat is often used to enhance the separation process in treaters. Direct heaters, such as horizontal direct heaters, directly heat the crude oil, while indirect heaters use a water bath to transfer heat to the oil. The choice of heater depends on factors like the nature of the crude oil and the desired operating temperature.
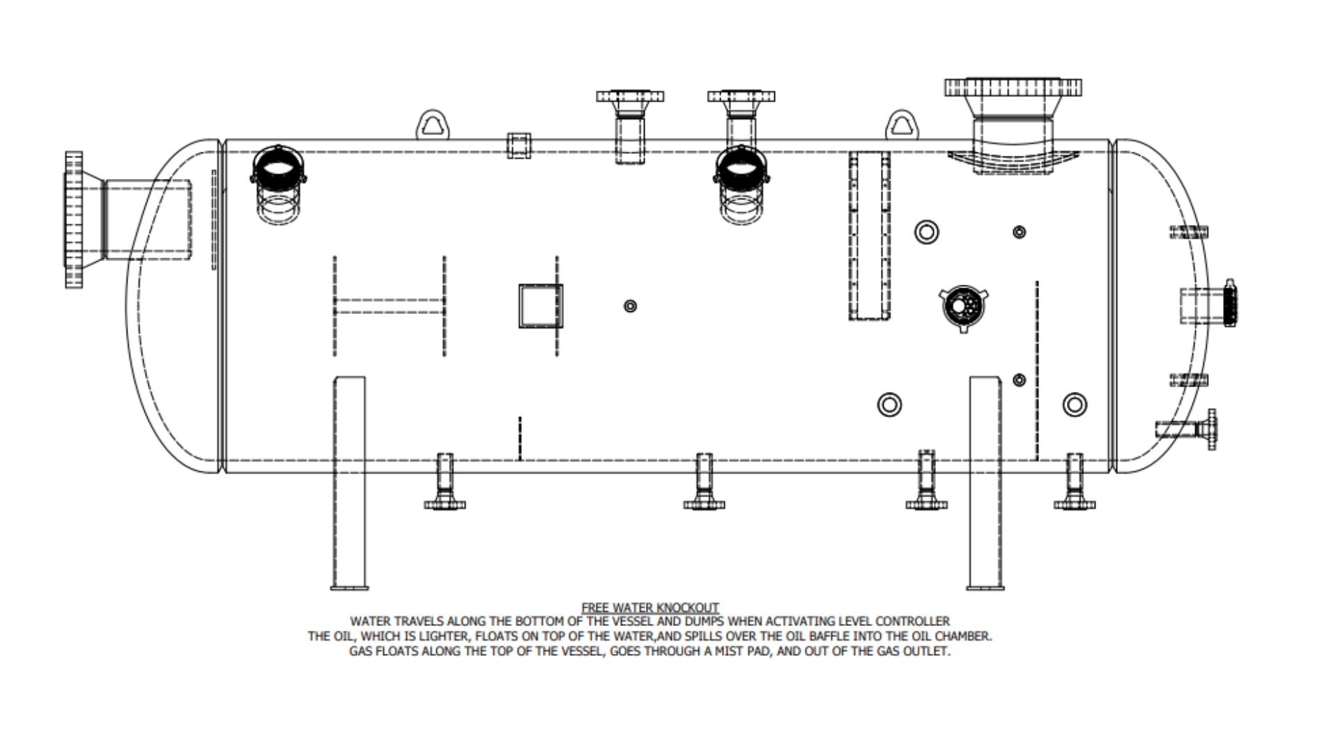
Additionally, vessels such as free water knockouts are used to remove free water, or water that readily separates from the oil, before the crude oil enters the treater. This preliminary separation reduces the load on the treater and improves its efficiency.

Once the oil, water, and gas have been separated, they need to be stored before further processing or transportation. Storage tanks, including the versatile Gunbarrel tanks, provide safe and efficient storage solutions.
Considering factors
The selection of crude oil treatment equipment is a critical decision that can significantly impact the efficiency and cost-effectiveness of the treatment process. Several factors need to be considered when making this choice such as the nature of the crude oil coming from the well. The properties of crude oil, such as its viscosity, density, and the presence of impurities, influence the choice of equipment. For example, crude oil with a high water content might require a free water knockout before entering the treater.
An additional factor is the overall production volume of the well. Larger production volumes might necessitate the use of horizontal treaters or multiple treaters in parallel.
The operating conditions including temperature and pressure, also play a role in equipment selection. Certain types of equipment are better suited for high-temperature or high-pressure operations.
Whatever type of treater you need, Oilfield Logic can help you source it. Shop our selection of treaters today.
